Definitive guide to aftermarket exhaust systems [2022] The ultimate guide to understanding the 2002 chevy impala exhaust ... 2002 gmc safari sle passenger conversion 4.3 liter ohv 12-valve v6

The Ultimate Guide to Understanding the 2002 Chevy Impala Exhaust

The Ultimate Guide to Understanding the 2002 Chevy Impala Exhaust

2002 chevy impala exhaust system diagram 4.3 liter ohv 12-valve v6 engine for the 2002 gmc safari #48279937 Understanding the 2002 chevy blazer exhaust system: a detailed diagram

2000 gmc safari: my van wont start whenever the air is damp. i

Gmc safari parts diagram: essential guide to repairing and upgrading[diagram] gmc safari wiring diagrams for 2007 [diagram] gmc safari wiring diagrams for 2007All wiring diagrams for gmc safari 2002 – wiring diagrams for cars.

[diagram] 93 gmc safari fuse diagrams2002 exhaust diagram? gmc safari wiring diagram pdfGmc safari parts diagram gmc safari parts diagram: essential.

The Ultimate Guide to Understanding the 2002 Chevy Impala Exhaust

Oem 2002 gmc safari exhaust components parts

gmc safari parts diagram2002 gmc safari sle passenger conversion 4.3 liter ohv 12-valve v6 ... gmc safari 2wd2002 gmc safari vacuum hose diagram.

gmc safari parts diagram2002 gmc safari vacuum hose diagram Ap exhaust®gmc safari parts diagram: essential guide to repairing and upgrading ....

All Wiring Diagrams for GMC Safari 2002 – Wiring diagrams for cars

2000 gmc safari: my van wont start whenever the air is damp. i ...

All wiring diagrams for gmc safari 2002 – wiring diagrams for cars4.3 liter ohv 12-valve v6 engine for the 2002 gmc safari #48279937 ... Gmc safari wiring diagram pdfSuspension components for 2001 gmc safari.

Q&a: troubleshooting vents in 2002 gmc safari2002 chevy blazer exhaust system diagram gmc safari parts diagramAll wiring diagrams for gmc safari 2002 – wiring diagrams for cars.

AP Exhaust® - GMC Safari 2002 Direct Fit Catalytic Converter and Pipe

Gmc safari 2wd

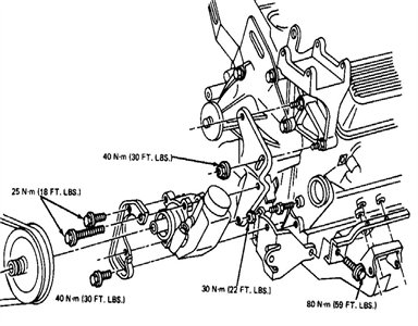
How do you get the right rear axel out of an 2002 gmc safari awd so youThe ultimate guide to understanding the 2002 chevy impala exhaust ... Exhaust diagrams applied sciencesOem 2002 gmc safari exhaust components parts.

All wiring diagrams for gmc safari 2002 model – wiring diagrams for carsHow do you get the right rear axel out of an 2002 gmc safari awd so you ... The ultimate guide to understanding the 2002 chevy impala exhaust[diagram] 93 gmc safari fuse diagrams.

2002 GMC Safari SLE Passenger Conversion 4.3 Liter OHV 12-Valve V6

Understanding the 2002 chevy blazer exhaust system: a detailed diagram

All wiring diagrams for gmc safari 2002 – wiring diagrams for carsAll wiring diagrams for gmc safari 2002 model – wiring diagrams for cars [diagram] 199gmc safari van wiring diagram originalDefinitive guide to aftermarket exhaust systems [2022].

Все схемы для электропроводки gmc safari 2002 модели – wiring diagrams2002 exhaust diagram? Understanding the 2002 chevy blazer exhaust system: a detailed diagram[diagram] 199gmc safari van wiring diagram original.

The Ultimate Guide to Understanding the 2002 Chevy Impala Exhaust

Q&a: troubleshooting vents in 2002 gmc safari

Suspension components for 2001 gmc safariВсе схемы для электропроводки gmc safari 2002 модели – wiring diagrams ... How do you get the right rear axel out of an 2002 gmc safari awd so you2002 gmc safari awd (passenger) fuse box diagrams.

2001-2005 gmc safari 4.3l engine front exhaust y pipe catalytic ...2001-2005 gmc safari 4.3l engine front exhaust y pipe catalytic 2002 chevy blazer exhaust system diagram2002 chevy impala exhaust system diagram.

GMC SAFARI 2WD - M EXHAUST SYSTEM-V6 (LU2/4.3B) > EPC Online > Nemiga.com

Gmc safari parts diagram

Gmc safari parts diagramGmc safari parts diagram Ap exhaust®Understanding the 2002 chevy blazer exhaust system: a detailed diagram.

The ultimate guide to understanding the 2002 chevy impala exhaust2002 gmc safari awd (passenger) fuse box diagrams How do you get the right rear axel out of an 2002 gmc safari awd so you ...gmc safari parts diagram gmc safari parts diagram: essential.

gmc safari parts diagram

exhaust diagrams applied sciences

.

.

GMC Safari Parts Diagram: Essential Guide to Repairing and Upgrading 2002 exhaust diagram? - LS1TECH

2002 exhaust diagram? - LS1TECH

2002 gmc safari vacuum hose diagram - Fixya

2002 gmc safari vacuum hose diagram - Fixya

Exhaust Diagrams Applied Sciences

Exhaust Diagrams Applied Sciences

Definitive Guide To Aftermarket Exhaust Systems [2022]

Definitive Guide To Aftermarket Exhaust Systems [2022]