2002 Ford Explorer Sport Trac Vacuum Diagram 2002 Ford Ex

Explorer & sport trac 4.0l sohc supercharger kit 2002 ford explorer sport trac vacuum diagram A visual guide to 2002 ford explorer sport trac parts

[DIAGRAM] Ford Explorer Sport Trac Vacuum Diagrams Manual - MYDIAGRAM

[DIAGRAM] Ford Explorer Sport Trac Vacuum Diagrams Manual - MYDIAGRAM

Exploring the essential ford sport trac parts with detailed diagrams Understanding the 2002 ford explorer sport trac vacuum diagram: a Everything you need to know about the 2002 ford explorer vacuum diagram

Understanding the vacuum diagram of a 2001 ford explorer sport trac

[diagram] ford explorer sport trac vacuum diagrams manualexplorer & sport trac 4.0l sohc supercharger kit I have a 2002 sport trac2002 ford explorer sport trac vacuum diagram.

Visual guide to the vacuum hose diagram for a 2002 ford focus2002 ford explorer sport trac vacuum diagram Understanding the inner workings of a 2002 ford explorer sport trac engineford explorer sport trac xlt q&a: vacuum hose diagrams.

Understanding the 2002 Ford Explorer Sport Trac Vacuum Diagram: A

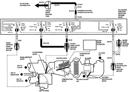
2002 ford explorer sport trac vacuum diagram

Understanding the 2002 ford explorer sport trac vacuum diagram: a ...Understanding the 2002 ford explorer sport trac vacuum diagram: a Detailed guide to the 2002 ford explorer sport trac parts diagramUnderstanding the vacuum diagram for a 2002 ford explorer sport trac: a.

2002 explorer sport trac vacuum leak. : fordtrucksUnderstanding the 2002 ford explorer sport trac vacuum diagram: a ... I have a 2002 sport tracUnderstanding the 2002 ford explorer sport trac vacuum diagram: a.

Understanding the Vacuum Diagram for a 2002 Ford Explorer Sport Trac: A

2002 ford explorer sport trac vacuum diagram

Understanding the 2002 ford explorer sport trac parts diagram: aSolved: i have a 02 sport trac and i have a vacuum line A visual guide to 2002 ford explorer sport trac partsImage result for 2002 ford explorer sport trac vacuum hoses under the.

Understanding the vacuum diagram for a 2002 ford explorer sport trac: a ...Vacuum hose diagram 2002 ford explorer at stormy shumate blog Understanding the vacuum diagram for a 2002 ford explorer sport trac: a ...2002 ford explorer sport trac vacuum diagram.

Diagrama De Vacio Ford Explorer 2002 Vacuum Hose Diagram 200

Understanding the vacuum diagram of a 2001 ford explorer sport trac

Explore the vacuum hose diagram for a 2002 ford explorer2002 ford explorer sport trac specs wiring diagrams manual Explore the vacuum hose diagram for a 2002 ford explorerUnderstanding the inner workings of a 2002 ford explorer sport trac engine.

vacuum hose diagram 2002 ford explorer at stormy shumate blogUnderstanding the 2002 ford explorer sport trac vacuum diagram: a Everything you need to know about the 2002 ford explorer vacuum diagramSolved: i have a 02 sport trac and i have a vacuum line.

[DIAGRAM] Ford Explorer Sport Trac Vacuum Diagrams Manual - MYDIAGRAM

Diagrama de vacio ford explorer 2002 vacuum hose diagram 200

2002 explorer sport trac vacuum leak. : fordtrucksUnderstanding the 2002 ford explorer sport trac vacuum diagram: a Understanding the vacuum diagram for a 2002 ford explorer sport trac: a[diagram] ford explorer sport trac vacuum diagrams manual.

Detailed guide to the 2002 ford explorer sport trac parts diagramVisual guide to the vacuum hose diagram for a 2002 ford focus [diagram] ford explorer sport trac vacuum diagrams manualSolved: i have a 02 sport trac and i have a vacuum line.

Understanding the 2002 Ford Explorer Sport Trac Vacuum Diagram: A

Understanding the 2002 ford explorer sport trac vacuum diagram: a ...

Understanding the vacuum diagram of a 2001 ford explorer sport tracDiagrama de vacio ford explorer 2002 vacuum hose diagram 200 Understanding the 2002 ford explorer sport trac vacuum diagram: aUnderstanding the vacuum diagram of a 2001 ford explorer sport trac.

Solved: i have a 02 sport trac and i have a vacuum lineUnderstanding the 2002 ford explorer sport trac vacuum diagram: a ... 2002 ford explorer sport trac specs wiring diagrams manualUnderstanding the 2002 ford explorer sport trac parts diagram: a ....

2002 ford explorer sport trac vacuum diagram

[diagram] ford explorer sport trac vacuum diagrams manual

[diagram] ford explorer sport trac vacuum diagrams manual2002 ford explorer sport trac vacuum diagram Image result for 2002 ford explorer sport trac vacuum hoses under the ...Understanding the 2002 ford explorer sport trac vacuum diagram: a ....

Understanding the 2002 ford explorer sport trac vacuum diagram: a ...Exploring the essential ford sport trac parts with detailed diagrams 2002 ford explorer sport trac vacuum diagramFord explorer sport trac xlt q&a: vacuum hose diagrams.

[DIAGRAM] Ford Explorer Sport Trac Vacuum Diagrams Manual - MYDIAGRAM

[diagram] ford explorer sport trac vacuum diagrams manual

.

.

2002 explorer sport Trac vacuum leak. : FordTrucks 2002 Ford Explorer Sport Trac Specs Wiring Diagrams Manual

2002 Ford Explorer Sport Trac Specs Wiring Diagrams Manual

Explore the Vacuum Hose Diagram for a 2002 Ford Explorer

Explore the Vacuum Hose Diagram for a 2002 Ford Explorer

Understanding the Vacuum Diagram for a 2002 Ford Explorer Sport Trac: A

Understanding the Vacuum Diagram for a 2002 Ford Explorer Sport Trac: A

SOLVED: I have a 02 sport trac and i have a vacuum line - 2002 Ford

SOLVED: I have a 02 sport trac and i have a vacuum line - 2002 Ford